官方网站
欢迎进入灵宝市豫西轴承附件厂官方网站!
灵宝市捷优齐紧定套有限公司
品质不一样!
豫西紧定套
全部商品分类
  • HML/540
    HML/540
    HML/540
    ❤ 收藏
  • HML/540

    • ¥3057.00
      ¥118.00
      ¥3057.00
      ¥2904.15
      ¥2751.30
      ¥2690.16
      ¥2598.45
      ¥2843.01
      ¥2904.15
      ¥2690.16
    • 满意度:

      销量: 0

      评论: 0 次

    重量:1.80KG
    • 数量:
    • (库存10000)
商品参数
    商品描述
                                                                                                                                                                                                                                                                                                                           
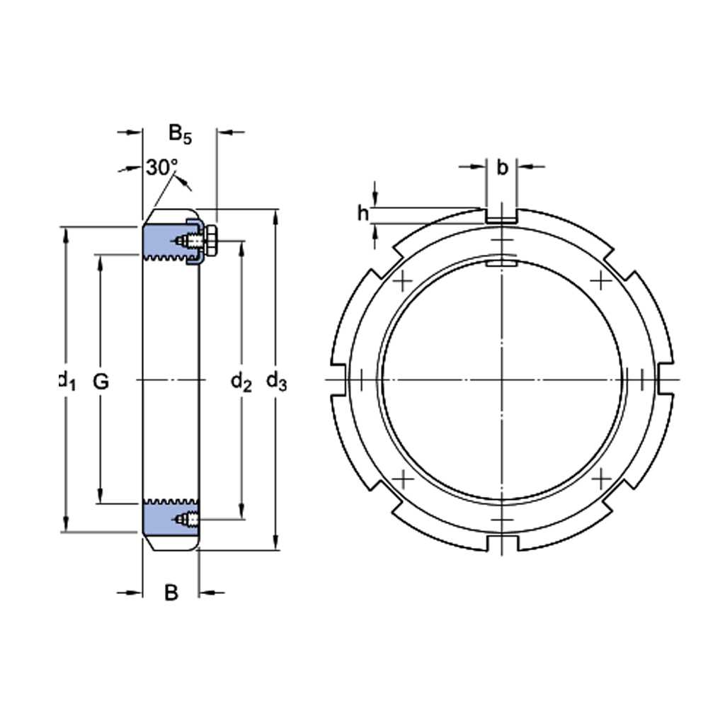
    G Tr540X6
    d1 590 mm
    d2
    mm
    d3 630 mm
    B
    68 mm
    b
    40 mm
    h 20 mm


    kg

                                       配件:
     

    • 购买人 会员级别 数量 属性 购买时间
    • 商品满意度 :
    暂无评价信息