官方网站
欢迎进入灵宝市豫西轴承附件厂官方网站!
灵宝市捷优齐紧定套有限公司
品质不一样!
豫西紧定套
全部商品分类
  • HMY10A
    HMY10A
    HMY10A
    ❤ 收藏
  • HMY10A

    期货说明

    • ¥1093.50
      ¥118.00
      ¥1093.50
      ¥1038.83
      ¥984.15
      ¥962.28
      ¥929.48
      ¥1016.96
      ¥1038.83
      ¥962.28
    • 满意度:

      销量: 2

      评论: 0 次

    重量:1.80KG
    • 数量:
    • (库存10000)
商品参数
    商品描述

    期货说明


                                                                                                                                                                                                                                                                                                                           









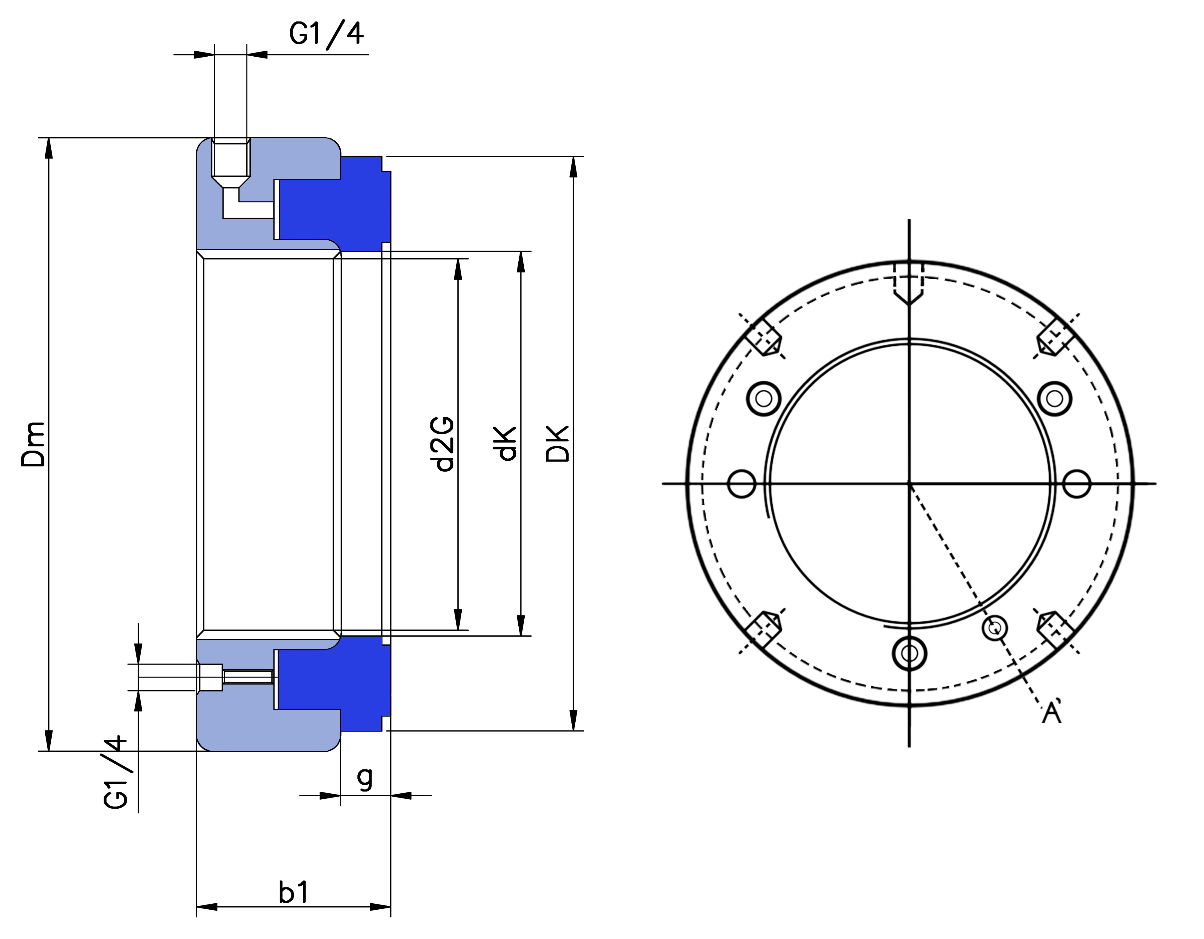
    d2G M 50X1.5
    dk 50.5 mm
    DK 104 mm
    Dm 114 mm
    b
    38 mm
    g
    4 mm
    活塞最大位移 5 mm
    活塞面积 2900 mm²

    2.7 kg
     

    • 购买人 会员级别 数量 属性 购买时间
    • 商品满意度 :
    暂无评价信息